Mēs izmantojam sīkdatnes, lai padarītu mūsu vietni Jums noderīgāku OK
9160RTH122
2er-Set ResiTHERM® 12. galv.verz
< ATPAKAĻMONTĀŽAS MATERIĀLI  >  DAŽĀDI RAŽOTĀJI (tikai pēc pieprasījuma)  >  RESITHERM
2er-Set ResiTHERM® 12. galv.verz
Produkta izskats var atšķirties no attēlā redzamā
CENA
€ 65.219 / iepak.
€ 53.90 / iepak.
AR PVN BEZ PVN
Nav uz vietas
Artikuls:9160RTH122Copy
Ražotājs:CELO
Web:www.celofixings.com/...
  Videocelopim.com/...
Specifikācijas, Sertifikāti un deklarācijas
Tikai reģistrētiem lietotājiem
Apraksts

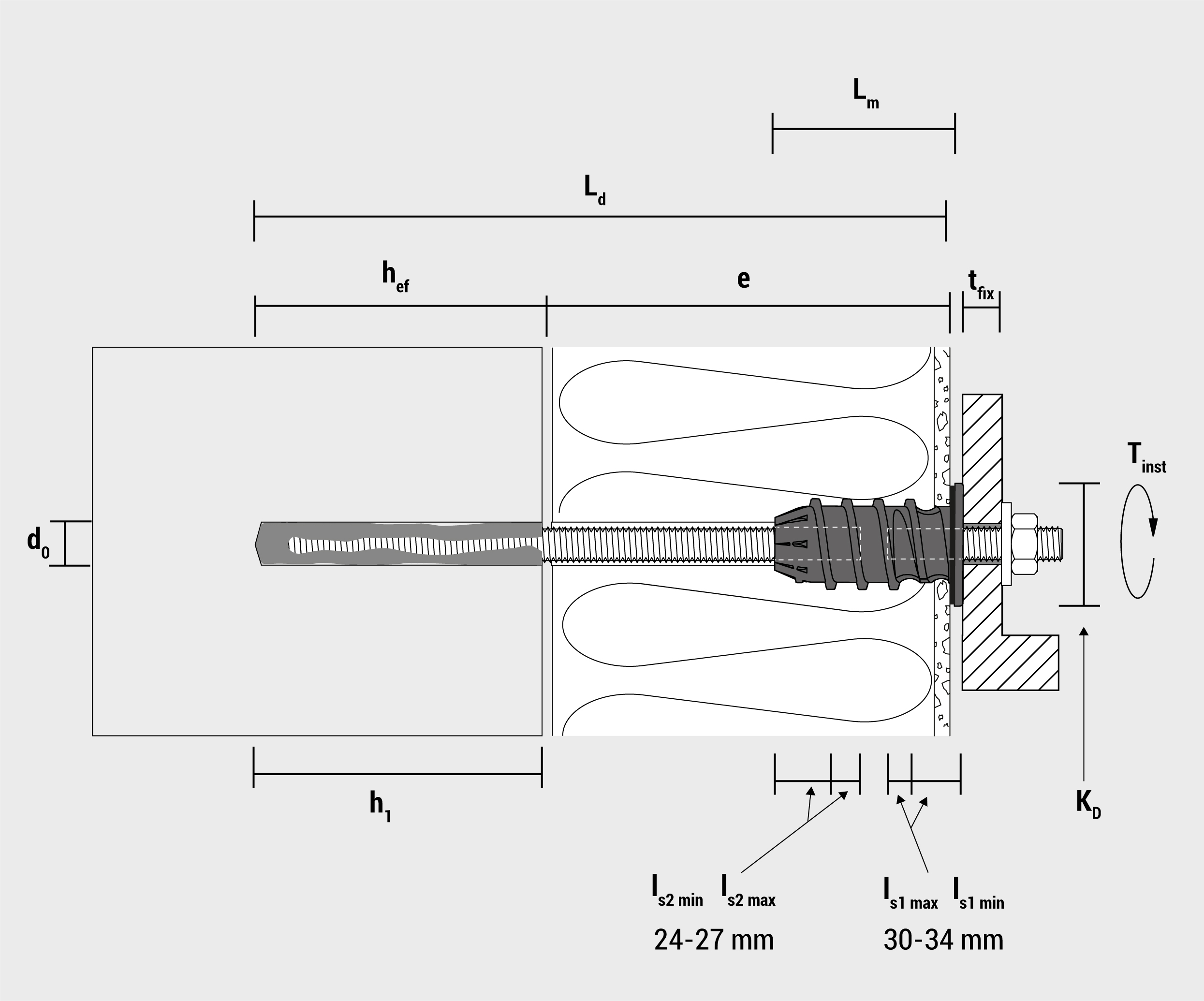
Šī atsauce ietver 2 komplektus, kas sastāv no1 x uzgrieznis M12, DIN 934, A41 x vītņota tapa priekš ResiTHERM, M12x70, DIN913, A41 x blīvgredzens priekš ResiTHERM 12/16, 41,5x33,5x6, melns EPDM , Adhesive1 x Paplāksne M12, DIN 125, A41 x Vītņots stienis M12x260 DIN 976 ar tērauda marku 8.81 x Uzmava SH 20-130 ar vāciņu1 x ResiTHERM 12, novatoriskais termiskās atdalīšanas modulis ReCEsiLOTHER2M® 12 ir ātrs, izturīgs pret lietu, termiski atdalīts, izturīgs pret koroziju, ETA apstiprināts un ražots Vācijā. Ideāls risinājums lielu slodžu montāžai uz izolētām fasādēm bez termiskiem tiltiem! Šajā komplektā pa 2 enkura stienis M12x260 sienā ir cinkots, savukārt ārējā savienojuma vītne M12x70 un savienojošās daļas ir izgatavotas no A4 nerūsējošā tērauda.Viens izstrādājums visiem izolācijas veidiem un biezumiem, piemēram, izolācijas biezuma tiltu savienošanai no plkst. 60-220 mm, enkurojot siltinātās fasādēs no betona, no 60-190 mm gāzbetonā un masīvķieģeļos un 60-160 mm, ja siltinātā siena sastāv no perforētiem ķieģeļiem. Tādējādi tiek nodrošināta augsta pielietojuma elastība arī citos pamatmateriālos.Melnais termiskās atdalīšanas modulis efektīvi novērš siltuma tiltus un aizsargā pret pelējumu un siltuma zudumiem. Tam ir iepriekš samontēts, laikapstākļiem izturīgs EPDM blīvējums, kas nodrošina drošu noblīvējumu pret lietusgāzēm līdz vēja stiprumam 11 (spēcīga vētra) un līdz 3 mm pārvietojumam, pārbaudīta ūdensnecaurlaidība, pamatojoties uz DIN EN 1027.Uzticama, izturīga ETA pārbaudīta. piestiprināšana ResiTHERM® 12 ir izvēles produkts dažādiem pamatmateriāliem, kā arī lietojumiem:Lielās slodzes inovācija ir piemērota visām izplatītākajām pamatnēm, piemēram, betonam, gāzbetonam, mūrim (masīviem un perforētiem ķieģeļiem) un citiem būvmateriāliem un plašam lietojumu klāstam, piemēram, nojumēm, nojumēm, franču balkoniem, satelītantenām, gaisa kondicionēšanas ierīcēm un daudz ko citu.Atklājiet laika un izmaksu ietaupījumu, pateicoties vienkāršai un ātrai uzstādīšanai, vienlaikus nodrošinot augstāko kvalitāti :Nav korozijas riska, pateicoties augstajai tērauda kvalitātei 8.8, stiprinājuma daļām, kas izgatavotas no nerūsējošā tērauda A4 un ar stikla šķiedru pastiprinātu neilonu, kam raksturīga novecošanās, laikapstākļu un UV izturība.Iespējams pēc tam regulēt M12 vītņotās tapas, kā arī M12 vītņstieņa ieskrūvēšanas dziļums ļauj pielāgoties individuālajai uzstādīšanas situācijai.

Analoģiskās preces


































Baltic Project Group SIA
Reģistrācijas Nr.: 40002078769
PVN maksātāja Nr.: LV40002078769
Juridiskā adrese: Jelgavas iela 28, Rīga, LV-1004
Banka: Luminor Bank AS
SWIFT kods: RIKOLV2X
Norēķinu konts: LV40RIKO0002013201329
Sazinies ar mums
+371 29236283
Birojs
Pr.-Pk.: 9:00 - 18:00
Se.-Sv.: Brīvs
Noliktava
Pr.-Pk.: 9:00 - 17:30
Se.-Sv.: Brīvs
Baltic Project Group
Informācija
© 2026 Baltic Project Group SIA
Saglabāts!
Doties uz grozu
Lai noformētu nomu, lūdzu pāriet uz grozu.
Doties uz grozu
Saglabāts!
Preces nav noliktavā
pieejama pēc pieprasījuma
Doties uz grozu
Saglabāts!
Doties uz projektu
Saglabāts!
Doties uz katalogu
Paldies! Pieprasījums ir saņemts!