Mēs izmantojam sīkdatnes, lai padarītu mūsu vietni Jums noderīgāku OK
9X160RTH122
2er-Set ResiTHERM® 12. A4
< ATPAKAĻMONTĀŽAS MATERIĀLI  >  DAŽĀDI RAŽOTĀJI (tikai pēc pieprasījuma)  >  RESITHERM
2er-Set ResiTHERM® 12. A4
Produkta izskats var atšķirties no attēlā redzamā
CENA
€ 94.90 / iepak.
€ 78.43 / iepak.
AR PVN BEZ PVN
Nav uz vietas
Artikuls:9X160RTH122Copy
Ražotājs:CELO
Web:www.celofixings.com/...
  Videocelopim.com/...
Specifikācijas, Sertifikāti un deklarācijas
Tikai reģistrētiem lietotājiem
Apraksts

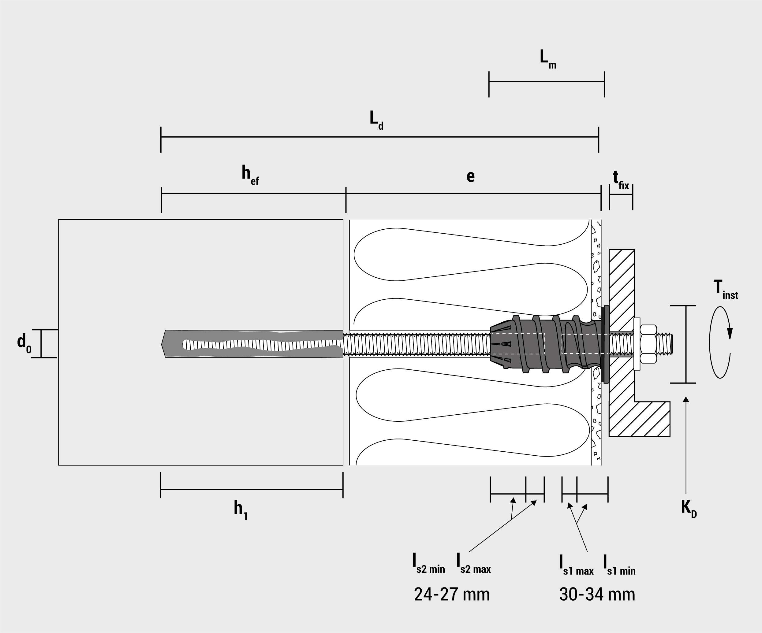
Šajā atsaucē ietilpst 2 komplekti, kas sastāv no1 x Uzgrieznis M12, DIN 934, A41 x Blīvgredzens priekš ResiTHERM 12/16, 41,5x33,5x6, EPDM RL melns, adhesive1 x Paplāksne priekš M12, DIN 125, A4 1 x vītņots stienis M12x260 A4, nerūsējošais tērauds A4, DIN 9761 x vītņota tapa priekš ResiTHERM, M12x70, DIN913, A41 x uzmava SH 20-130 ar vāciņu1 x novatorisks ResiTHERM2 termoatdalīšanas modulis 12 ResiTHERM® 12 ir ātrs, necaurlaidīgs lietus, termiski atdalīts, izturīgs pret koroziju, ETA apstiprināts un ražots Vācijā. Ideāls risinājums lielu slodžu montāžai uz izolētām fasādēm bez termiskiem tiltiem! Šajā 2 komplektā gan vītņotais stienis M16x350 sienā, gan ārējā savienojuma vītne M12x70 un savienojuma daļas ir izgatavotas no A4 nerūsējošā tērauda.Viens izstrādājums visiem izolācijas veidiem un biezumiem, piemēram, izolācijas biezuma tiltu savienošanai no plkst. 60-220 mm, enkurojot siltinātās fasādēs no betona, no 60-190 mm gāzbetonā un masīvķieģeļos un 60-160 mm, ja siltinātā siena sastāv no perforētiem ķieģeļiem. Tādējādi tiek nodrošināta augsta pielietojuma elastība arī citos pamatmateriālos.Melnais termiskās atdalīšanas modulis efektīvi novērš siltuma tiltus un aizsargā pret pelējumu un siltuma zudumiem. Tas ir iepriekš samontēts, laikapstākļiem izturīgs EPDM blīvējums, kas nodrošina drošu hermētiskumu pret lietus spēku līdz 11 vēja stiprumam (spēcīga vētra) un līdz 3 mm nobīdi, pārbaudīta ūdensnecaurlaidībai, pamatojoties uz DIN EN 1027.Uzticama, izturīga ETA pārbaudīts stiprinājums ResiTHERM® 12 ir izvēles produkts dažādiem pamatmateriāliem, kā arī pielietojumam:Lielās noslodzes inovācija ir piemērota visām izplatītākajām pamatnēm, piemēram, betonam, gāzbetonam, mūrim (cietiem un perforēts ķieģelis) un citi būvmateriāli, kā arī plašam lietojumu klāstam, piemēram, nojumēm, nojumēm, franču balkoniem, satelītantenām, gaisa kondicionēšanas ierīcēm un daudz ko citu.Atklājiet laika un izmaksu ietaupījumus, pateicoties vienkāršai un ātrai uzstādīšanai. augstākās kvalitātes nodrošināšana:Nav korozijas riska, pateicoties augstajai tērauda kvalitātei 8.8, stiprinājuma daļas izgatavotas no nerūsējošā tērauda A4 un ar stikla šķiedru pastiprināta neilona, kam raksturīga novecošanās, laikapstākļu un UV izturība.Iespējams M12 vītņotās tapas, kā arī M12 vītņstieņa ieskrūvēšanas dziļuma turpmākā regulēšana ļauj pielāgoties individuālajai uzstādīšanas situācijai.

Analoģiskās preces


































Baltic Project Group SIA
Reģistrācijas Nr.: 40002078769
PVN maksātāja Nr.: LV40002078769
Juridiskā adrese: Jelgavas iela 28, Rīga, LV-1004
Banka: Luminor Bank AS
SWIFT kods: RIKOLV2X
Norēķinu konts: LV40RIKO0002013201329
Sazinies ar mums
+371 29236283
Birojs
Pr.-Pk.: 9:00 - 18:00
Se.-Sv.: Brīvs
Noliktava
Pr.-Pk.: 9:00 - 17:30
Se.-Sv.: Brīvs
Baltic Project Group
Informācija
© 2026 Baltic Project Group SIA
Saglabāts!
Doties uz grozu
Lai noformētu nomu, lūdzu pāriet uz grozu.
Doties uz grozu
Saglabāts!
Preces nav noliktavā
pieejama pēc pieprasījuma
Doties uz grozu
Saglabāts!
Doties uz projektu
Saglabāts!
Doties uz katalogu
Paldies! Pieprasījums ir saņemts!